<< | Obrobky | Kotouče >>

Čep kolečka

Čep kolečka

Čep s drážkou

Čep s hlavou

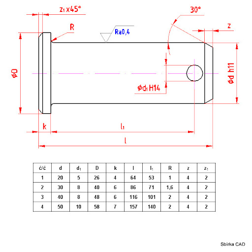
Čep s přírubou

Čep kolečka

Čep s přírubou-tabulka

Čep s přírubou - tabulka

Čep s dírou

Čep s dírou

Čep s dírou-tabulka

Čep s dírou - tabulka

Čep se závitem

Čep se závitem

Čep se závitem-tabulka

Čep se závitem - tabulka

Čep s nákružkem

Čep s nákružkem

Čep nákružek-tabulka

Čep s nákružkem - tabulka

Čep karabiny

Čep karabiny

Nýt

Nýt

Čep páky

Čep páky
RSS